Numune Alma Sistemleri

Numune Alma Sistemleri

Son yıllarda suyun ne kadar önemli olduğu daha fazla anlaşılır ve önemsenir oldu. Bu önemseme işletmelerin attıkları suları geri kazanmaları konusundaki çalışmalarını hızlandırdı. Aynı şekilde deşarj edilen suların kirletici parametrelerinin anlık ölçümünde gerek yerel idareler gerekse işletmeler tarafından daha bi önem kazandı.

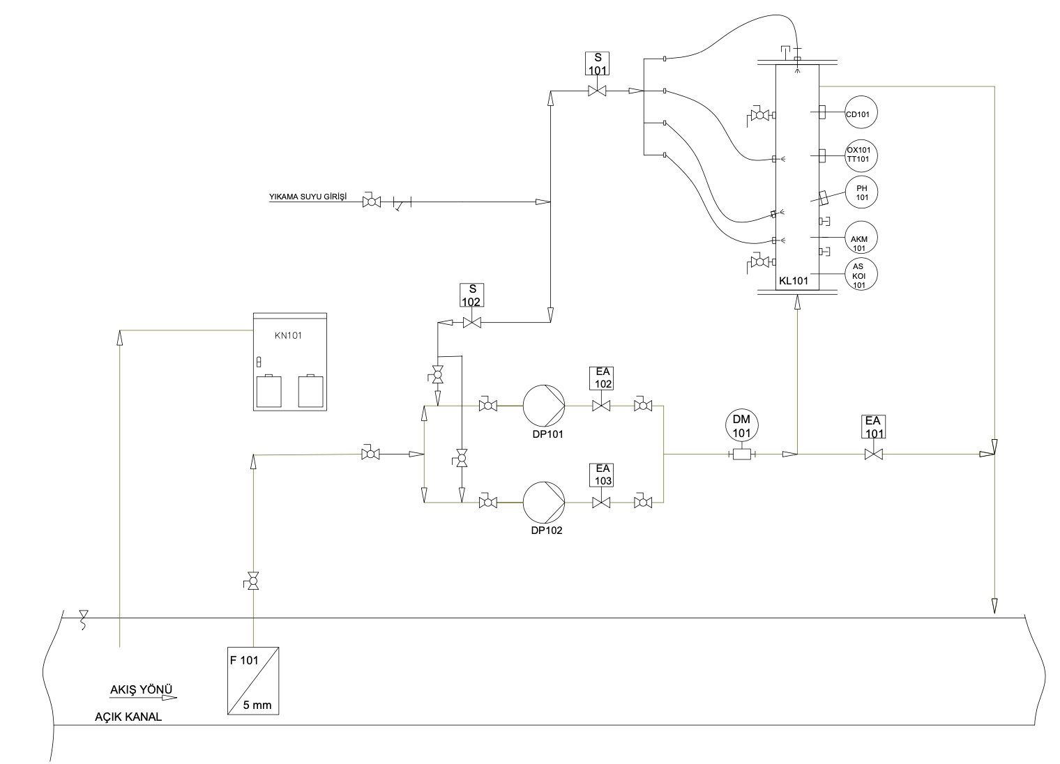
Çevre, Şehircilik ve İklim Değişikliği Bakanlığı'nın yapmış olduğu çalışmalar çerçevesinde arıtma çıkışlarına "Sürekli Atıksu İzleme Sistemi" kurulumları da hali hazırda devam etmektedir. Yapılan birçok laboratuvar ve pilot çalışma göstermiştir ki atık veya arıtılmış sulardan doğru örneklem olmasını sağlayacak şekilde numune almak başlı başına ayrı bir mühendislik gerektirmektedir.

KARDA MÜHENDİSLİK olarak bu konuda farklı tesis ve ortamlarda yapmış olduğumuz çalışmalar bizlerde farklı bir hassasiyet ve tecrübe gelişmesini sağlamıştır. Aşağıda bu tecrübelerimize ait kısa bir tanıtımımız yer almaktadır. Sizlerin de işletmelerinizde anlık numune alma konusunda ihtiyaçlarınızın oluşması durumunda tecrübemizi sizlerle paylaşmaktan keyif alacağımızı iletmek isteriz.

Tanıtım sunumuzu buradan indirebilirsiniz Sunumu İndir